Путь: ЗЭМЗ » Блоки питания

Блоки питания

Похоже все блоки питания производились в цехе № 35.

Возможно БП для ПЭВМ АГАТ так же производили в цехе № 35. Надписи на плате 469535.011 - 758727.006. Вообще, производством Агатов занимались несколько заводов, но самые надежные машины изготовлены именно на ЗЭМЗ, в том числе благодаря оригинальному БП. Подробности тут.

* * *

Звезда - 01

В цехе № 35 производился бытовой блок питания 6,9,12 вольт "Звезда-01". фото 1, фото 2, фото 3. Надписи на плате 469535.159 - 758724.021. Тороидальный трансформатор - очень хороший, высокий КПД и минимум помех.

* * *

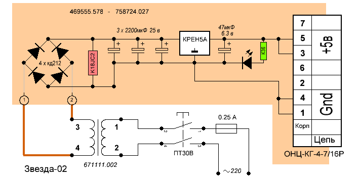
Звезда - 02 (Звезда - 03)

Звезда - 02. 5v 2A. Применялся с бытовым компьютером ЗВЕЗДА. Трансформатор собственного изготовления (10.5 вольт). Распиновка совпадает с разъемом БП на системном блоке. Используется выключатель ПТ30В идентичный применяемому в блоке питания ПЭВМ АГАТ.

Звезда - 03. 12v 1A. Возможно, предназначался как дополнительный БП для компьютера ЗВЕЗДА(в версии с дисководом). Внешне, брат близнец версии "02", с другим шильдиком.

Известны два варианта корпуса.

* * *

В металлическом корпусе (экз.датирован 92 годом).

* * *

В пластиковом корпусе (экз.датирован 93 годом). Часть таких БП не имела приклепанной таблички.

Еще фото этого варианта: сзади, снизу, внутри.

* * *

* * * * * * * * * * * * * * * * * * * * * * * * * * * * * * * * * * * * * * * * * * * * * * * * * * * * * * * * * * * * * * * * * * * * * * * * * * * * * * * * * * *

Будем признательны если пришлёте любые дополнительные фото,
или фото для подмены уже имеющихся на странице (например лучше качеством).
mail@agatcomp.ru